全国公共资源交易平台(山西省 · 吕梁市) NATIONAL PUBLIC RESOURCE TRADING PLATFORM(SHANXI · LVLIANG)

吕梁市公共资源交易中心(吕梁市政府采购中心)网站


公平  公正  公开 一网两平台	  四库两系统
交易平台 服务平台 监督平台

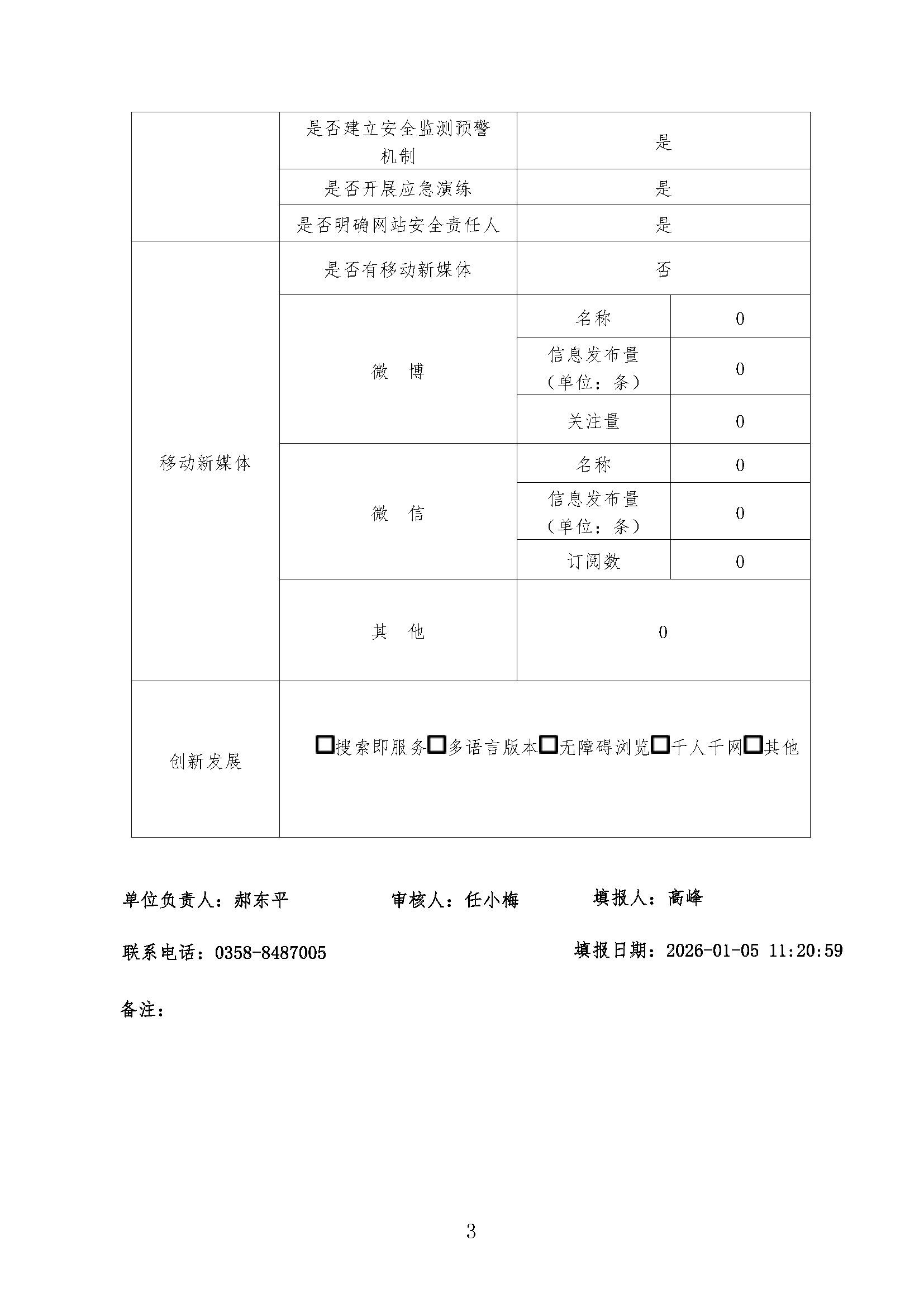
政府网站工作年度报表2025年度

发布时间:2026年01月06 15:58:45 作者: 点击率:0 次 2026/01/06